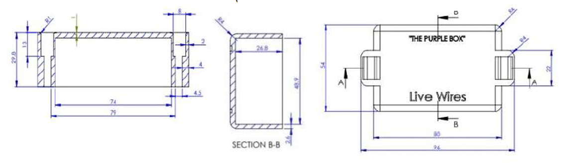
PURPLEBOX

Live Wire Protective Cover Used Temporarily During Install of 84mm Mounting Centres Reusable Purple

SKU

PURPLEBOX

Box Qty

No box quantity found.

Categories

Mounting Accessory

Features

  • The Purple Box is a live wire cover that is designed to fit all generic types of mounting plates and boxes that are commonly used in Australia, that are generally referred to as;C-clips, Stud plates, Wall boxes, Plaster plates and can also be mounted with screws and wall plugs by itself. This product resolves a lot of common issues found within the electrical industry during renovations and alterations at domestic and commercial properties. Which leaves people exposed to hazards and contractors exposed to fines. This product allows the electrician to cover normally exposed live ends at power points and light switches, which means less climbing in the roof for disconnections, and also allows other finishing trades to work safely and finish their portion of the work to a better standard around the purple box, allowing for a very easy final fit off for the electrician. Instructions for use Secure The Purple Box to C-clips, Stud plates, Wall boxes, Plaster plates and walls directly with the use of screw fixings through the side penetrations of The Purple Box. The Purple Box is an Ip4x rated fitting so it can be used to cover/enclose Live wiring. Only Licensed electricians should remove The Purple Box once secured to a wall or ceiling whilst ensuring all relevant isolation procedures have been followed.IP4x rating The Purple Box is Ip4x rated and designed to be used as an electrical barrier as per clause 1.5.4.4 in AS/NZS3000:2018 IPx4 rating Maintain Ipx4 rating in water zones around showers and baths etc via the use of silicone/ caulking Ensure silicone/caulking has covered and sealed the screw penetrations to the sides of The Purple Box and any areas of the wall finish that don’t meet the The Purple Box side walls as it inserts past the wall surface. When completion of sealing with silicone/caulking is complete and dry The Purple Box is then rated at IP44 Areas requiring protection outlined in table 6.1 in AS/NZS3000:2018

PURPLEBOX Resources

PURPLEBOX Data Sheet

Hyena
Download to see product technical details.
DOWNLOAD

Hyena Data Sheet

Hyena

Download to see technical details for the complete Hyena range.

DOWNLOAD

PURPLEBOX Flyer

Download to discover more about this product.

DOWNLOAD
YouTube thumbnail

First Fix Accessories | Purplebox

Hyena

Know Your Product - Watch this quick product overview to discover the key features and benefits. 

WATCH VIDEO

Purchased this product?

How do you rate it?